|
Vysoké učení technické v Brně Fakulta strojního inženýrství Ústav materiálových věd a inženýrství |
V Brně 16.11.2006 |
![]() |
![]() |
Tato studijní opora je určená jako podpora distanční části vzdělávání studentů zejména pro studenty kombinované formy studia. Je ovšem také přístupná i pro studenty prezenční formy studia.
Skládá se z několika kapitol, které zpracovávají současný stav poznatků o grafitických litinách. Jedná se o rozdělení grafitických litin, krystalizace dle diagramu binárního Fe-C a ternárního Fe-C-Si, dále popis jednotlivých druhů grafitu a matrice, úvod do systému označování a do metod hodnocení litin. V dalších kapitolách je pak kladen důraz na popis nejznámějších druhů litin a to na litiny s lupínkovým grafitem, s kuličkových grafitem, s červíkovitým grafitem, temperované litiny a ADI litiny.
| prof. Ing. Tomáš Podrábský, CSc. | Ing. Simona Pospíšilová |
Litiny jsou slitiny železa, uhlíku a doprovodných prvků (žádoucích i nežádoucích), kde obsah uhlíku je nad 2 hm%, když součet všech doprovodných prvků nepřesáhne 2%.
Jsou to materiály určené výhradně na výrobu odlitků. Různé předměty z litiny se odlévaly již v Číně zhruba ve 4.stol. př.n.l. Do Evropy se jejich výroba dostala až ve 14.stol. n.l. V poslední době výroba slitin železa upadá, ale i tak jsou jednou z nejdůležitějších skupin kovových materiálů.
Grafitické litiny obsahují uhlík ve formě grafitu, který krystalizuje v hexagonální soustavě (hcp mřížka). Jejich vlastnosti závisí na množství, tvaru a velikosti grafitických útvarů a na typu kovové matrice, ve které je grafit rozložený.
Jednotlivé druhy litin lze srovnat dle mechanických a jiných vlastností. V pořadí litina s lupínkových grafitem (šedá litina), litina s červíkovitým grafitem (vermikulární litina) a litina s kuličkových grafitem (tvárná litina); se pevnost v tahu a modul pružnosti zvyšuje, stejně tak houževnatost a tažnost, naopak slévatelnost či obrobitelnost se zhoršují. Mechanické vlastnosti závisí nejen na tvaru a velikosti grafitu, ale i na matrici (feritická, feriticko-perlitická, perlitická), což je základní kovová hmota, ve které je uložen grafit. Se zvyšujícím se podílem perlitu ve struktuře narůstají pevnostní charakteristiky a naopak tažnost či houževnatost klesají. Konkrétní údaje poskytuje tabulka uvedená níže.
| Litiny | Feritická matrice | Feriticko-perlitická matrice | Perlitická matrice |
| Litina s lupínkovým grafitem |
100-155HB Rm=100-200MPa |
120-195 HB Rm=150-300MPa |
145-215 HB Rm=250-350MPa |
| Litina s kuličkovým grafitem |
Rm=350-400MPa A=15-22% |
Rm=400-600MPpa A=3-10% |
Rm=600-900MPa A=2% |
| Litina s vermikulárním grafitem | Mechanické vlastnosti leží mezi litinou s lupínkovým a kuličkovým grafitem. | ||
| Temperovaná litina s bílým lomem |
Rm=350- 550MPa A=4-12% 200-250HB |
||
| Temperovaná litina s černým lomem |
Rm=350-800MPa A=1-10% 140-320HB |
||
![]() Litina s lupínkovým grafitem |
![]() Litina s kuličkovým grafitem |
![]() Temperovaná litina |
![]() Litina s vermikulárním grafitem |
![]() ADI litina |
Jak bylo popsáno v předešlé kapitole, hlavními stavebními prvky v litinách jsou železo a uhlík. Uhlík patří mezi nekovy a podle toho v jaké formě se vylučuje, přímo ovlivňuje vlastnosti slitin na bázi železa. V soustavách železo – uhlík tvoří tento prvek samostatnou fázi. Vylučuje se ve formě cementitu (karbid železa Fe3C) v metastabilní soustavě (Fe-Fe3C) nebo ve formě grafitu (čistý uhlík) v soustavě stabilní (Fe-C).
Uhlík v grafitických litinách se vyskytuje ve dvou formách; tzv. uhlík volný a uhlík vázaný. Uhlík volný je grafit a uhlík vázaný je rozpuštěn v základní kovové hmotě (v matrici). Z toho plyne: Ccelk = Cgrafit + Cmatrice.
Cementit je typická intermediární fáze s obsahem 6,68 hm % C. Krystalizuje v orthorombické soustavě (Obr.1). Je velmi tvrdý (800 HV) a křehký a do teploty 217 °C je feromagnetický. Z termodynamického hlediska je fází metastabilní a za vhodných podmínek se rozpadá na železo a grafit podle rovnice (1). Tento proces je znám pod pojmem přímá grafitizace.


Grafit je čistý uhlík a krystalizuje v hexagonální soustavě (Obr. 2). Je měkký a jeho tvárnost a pevnost jsou v porovnaní s čistým železem nepatrné. Z hlediska termodynamického jde o fázi stabilní.

Rozhodujícím parametrem pro základní rozdělení litin dle struktury je eutektická krystalizace.
V bílých litinách probíhá eutektická krystalizace v podmínkách metastabilní rovnováhy a jejich produktem je ledeburit. Strukturu pak tvoří cementit a perlit, a proto mají litiny bílý lom, vysokou tvrdost a dobrou odolnost vůči opotřebení. Na druhou stranu jsou velmi křehké, mají relativně malou pevnost a špatně se obrábí.
V grafitických litinách probíhá eutektická reakce dle stabilní rovnováhy a jejím produktem je grafit. Ten pak zůstává ve struktuře bez ohledu na to, jestli další fázové přeměny probíhají dle metastabilní či stabilní soustavy.
Když proběhne eutektická reakce z části dle stabilní a z části dle metastabilní soustavy vzniká tzv. přechodová litina, která obsahuje ve struktuře jak ledeburit, tak i grafit.
To, jestli bude daná slitina krystalizovat dle stabilní či metastabilní soustavy, závisí na několika faktorech:
Základním kritériem při rozdělení grafitických litin je tvar vyloučeného grafitu. Grafit může vznikat krystalizací z taveniny nebo grafitizací cementitu v tuhém stavu dle rovnice (1). Krystalizace grafitu se může ovlivnit úpravou taveniny přidáním látek, které ovlivňují počet krystalizačních zárodků (očkování) nebo tvar zárodků (modifikace), viz Obr. 3.

Vlastnosti grafitických litin závisí na množství, tvaru a velikosti grafitických částic a na druhu kovové matrice, ve které je grafit rozložený. Matrice může mít různý podíl feritu a perlitu. Litina s vyšším obsahem perlitu v matrici má vyšší pevnost a nižší tažnost. Charakteristické mechanické vlastnosti jednotlivých druhů grafitických litin jsou znázorněné na Obr. 4.
![]() Obr. 4 Mechanické vlastnosti grafitických litin |
|
Veškeré informace, týkající se této problematiky, naleznete ve studijní opoře Slitiny stabilní soustavy Fe-C.
Litiny mají obsah uhlíku vyšší než je jeho mezní rozpustnost v austenitu za eutektické teploty, daná bodem E rovnovážného diagramu železo-uhlík. Vedle vyššího obsahu uhlíku mají obvykle i větši množství příměsí (Si, Mn, P, S) než ocel. Z nich nejdůležitější je křemík, pohybující se v množství 0,3 až 4,0 %. Litiny proto bývají považovány za potrojné slitiny Fe-C-Si. Jejich krystalizace a překrystalizace se řídí ternárním diagramem této soustavy, v němž obdobně jako v binárním rovnovážném diagramu železo-uhlík, existuje stabilní rovnováha s vyššími a metastabilní rovnováha s nižšími teplotami fázových přeměn. Protože však sledování fázových přeměn pomoci ternárních rovnovážných diagramů je obtížné, používají se často tzv. pseudobinární diagramy, které jsou sestrojeny jako řezy ternárních diagramů pro proměnné obsahy dvou základních komponent a konstantní obsah třetí komponenty.
Příklad takového diagramu pro proměnný obsah Fe a C a konstantní obsah 2 % Si je uveden níže na obrázku 7, který vychází z ternárního diagramu uvedeného na obrázku 5. V podstatě je tento pseudobinární diagram velmi podobný binárnímu rovnovážnému diagramu železo-uhlík, kde teploty fázových přeměn jsou posunuty nahoru a koncentrace doleva oproti základnímu diagramu Fe-C. Významným rozdílem je, že v pseudobinárním diagramu se nevyskytuje jedna konstantní eutektická teplota, nýbrž interval teplot tESl - tES2. Podobně ani eutektoidní přeměna neprobíhá při jedné konstantní teplotě, ale v teplotním intervalu A1,1 - A1,2. Interval eutektoidních i eutektických teplot se rozšiřuje s vzrůstajícím obsahem křemíku, který je do litin přidán, viz obr. 6.

Krystalizace podeutektických litin podle této soustavy začíná vylučováním austenitu, následuje eutektická reakce, snižování rozpustnosti uhlíku v austenitu (Obr.7, body 1-3), eutektoidní reakce, případně grafitizace perlitického cementitu při ochlazení po eutektoidní reakci. Výsledná struktura je tvořena perlitem, feritem nebo jejich směsí a lupínkovým grafitem. Lupínkový grafit je výchozím základním tvarem grafitu, který vzniká přirozeně bez dodání ostatních příměsí apod. Krystalizace nadeutektických litin začíná vylučováním primárního grafitu z taveniny, následuje eutektická reakce a dále dochází k fázovým přeměnám obdobně jako v prvním případě (Obr.7, body 4-6).
U podeutektických litin s lupínkovým grafitem je první fází, která se při krystalizaci vylučuje, austenit. Při vylučování austenitu dochází k výměně tepla mezi fázemi s vnějším prostředím. Tato výměna však není ideální, nenastane difúzní vyrovnání složení fází a dojde k dendritické krystalizaci austenitu, to je uvedeno na obrázku 9a. Rozvětvení dendritů závisí na stupni přechlazení.
U nadeutektických litin je první krystalizační fází primární grafit, který se odlišuje od ostatních grafitových částic tím, že jde o velmi hrubé a málo rozvětvené útvary.
Při eutektické reakci nevzniká typická eutektická směs, ale jde o dvoufázový segregát (eutektická buňka, Obr.10a), který roste nepřetržitým současným vytvářením dvou fází. Kontakt grafitu s kapalnou fází se udržuje vlivem růstu austenitu. Lupínkový grafit je proto deskovitého charakteru. Eutektickou buňku nakonec tvoří rozvětvený grafitový skelet (obálka) obalený austenitem. Stupeň rozvětvení se zvětšuje s rostoucí rychlostí ochlazování.

Rychlost ochlazování (tloušťka stěny) výrazně ovlivňuje i samotný charakter eutektické reakce. Tento vliv je zřejmý z kinetického diagramu (na obrázku 8) anizotermické krystalizace litin v soustavě Fe-C-Si s eutektickým složením. Z obrázku je zřejmé, že rychlost v2 je větší než rychlost v1. Rychlost v2> pak udává rychlost, podle které tuhne tavenina v metastabilním systému a v1 je rychlost, podle které tuhne tavenina ve stabilním systému (grafitické litiny).
![]() |
tES12 - tES1
|
Podíl taveniny, která tuhne primární krystalizací (podeutektické nebo nadeutektické litiny) nebo naopak eutekticky (eutektické litiny), závisí na chemickém složení původní taveniny. Polohu eutektického bodu ovlivňuje nejen obsah uhlíku, ale i obsah přísadových prvků. Tento vliv se dá kvantifikovat. K tomu se používá tzv. stupeň sycení Sc (stupeň eutektičnosti), který se vypočítá dle vztahu (2).

Když bude Sc = 1 jedná se o eutektickou litinu, když Sc < 1 o podeutektickou a v případě Sc > 1 o nadeutektickou litinu. Je třeba podotknout, že tato veličina se počítá v případě litin s lupínkovým grafitem (Obr.9b). Jak již bylo v úvodu této kapitoly poznamenáno, litina s lupínkovým grafitem vzniká bez dalších nutných přísad, bez modifikátorů či očkovadel.
Proces tuhnutí litiny, která obsahuje fosfor, není ukončený eutektickou reakcí. Podle soustavy Fe-Fe3C-Fe3P vzniká ternární fosfidové (fosfidické) eutektikum (Obr. 10b) při obsahu nad 0,5 až 0,8 % P (závisí na obsahu uhlíku). Když krystalizuje eutektikum (austenit a grafit), může se objevit fosfidové eutektikum už při 0,1 % fosforu při rovnovážných podmínkách a už od 0,05 % P za reálných, pomalu ochlazovaných litinách. Fosfidové eutektikum tuhne již při teplotě 940 °C, a to mezi eutektickými buňkami.
Při ochlazení pod eutektickou teplotou nastává ochuzování austenitu o uhlík. V tomto případě nevznikají nové částice grafitu (sekundární grafit) z austenitu, ale vylučuje se sekundární cementit, který okamžitě grafitizuje. Tomu se říká nepřímá grafitizace.
Při eutektoidní přeměně se austenit nejčastěji přemění na perlit v podmínkách metastabilní rovnováhy (perlitická struktura). V závislosti na rychlosti ochlazování z eutektoidní teploty na teplotu okolí, může docházet k částečné grafitizaci perlitického cementitu (perliticko-feritická struktura).
![]() Obr.9a Dendrity primárního austenitu |
![]() Obr.9b Litina s lupínkovým grafitem |
![]() Obr. 10a Eutektické buňky |
![]() Obr. 10b Síť fosfidického eutektika |
Základní tvary grafitu v grafitických litinách jsou odvozené podle vzhledu grafitových částic na metalografickém výbrusu, tj. podle vzhledu náhodných rovinných řezů grafitickými částicemi. Je potřeba si uvědomit, že grafit je náhodně rozložený v objemu, a že se jedná o prostorový útvar.
Hodnotí se dle normy ČSN EN 1560 jako lupínkový (I), vločkový (II), červíkovitý nebo-li vermikulární (III), povoučkovitý (IV), nedokonale zrnitý (V) a zrnitý (VI), viz Obr. 11.


Grafitové částice oslabují strukturu a porušují kontinuitu základní kovové hmoty. Při namáhání odlitku dochází ke vzniku místních koncentrací napětí v oblasti grafitu, jehož hodnoty mohou podle daného tvaru (10 až 20) krát převýšit jmenovitá napětí. Čím ostrohranější je zakončení útvarů grafitu, tím větší je vrubový účinek. Nejsilnější vrubový účinek má ve struktuře lupínkový grafit (Obr. 12 vlevo). Příznivějšími tvary z hlediska porušování celistvosti matrice litin jsou kuličky (Obr. 12 vpravo) nebo vločky grafitu v temperovaných litinách. Kromě tohoto zmíněného faktu grafit jako takový má velmi malou pevnost. Svou přítomností ve struktuře zmenšuje nosný průřez základní kovové hmoty a tím snižuje pevnost litiny.

Jednotlivé příklady různých tvarů grafitu ve struktuře litin jsou uvedeny na obrázcích 13 a 14.
![]() a) lupínkový grafit |
![]() b) vločkový grafit |
![]() c) kuličkový grafit |
![]() d) červíkovitý grafit |
![]() a) lupínkový grafit |
![]() b) vločkový grafit |
![]() c) kuličkový grafit |
![]() d) červíkovitý grafit |
V předchozí kapitole bylo vysvětleno, jakým způsobem grafit krystalizuje – tvoří se z taveniny. Jeho růst je pak možný ve směru osy a nebo c (Obr. 15) a to buď spirálovým nebo pyramidálním mechanismem. Na výsledný tvar grafitu má rozhodující vliv poměr rychlosti růstu ve směru osy a a ve směru osy c. Pro lupínkový grafit platí, že rychlost růstu ve směru a je větší než ve směru c. Pro červíkovitý a kuličkový grafit platí opačný poměr; rychlost růstu ve směru c je větší než ve směru a.

Základní kovovou hmotu v nelegovaných litinách tvoří ferit, perlit, případně ledeburit. Legováním nebo tepelným zpracováním lze získat matrici, která obsahuje austenit, martenzit, bainit nebo komplexní karbidy.
Ferit vzniká při eutektoidní transformaci austenitu podle stabilního systému. Přísadový prvek křemík a pomalé ochlazování podporuje vznik feritu. Ferit je měkký, tvárný, dobře obrobitelný, v litinách je nositelem houževnatosti. Na jeho vlastnosti mají značný vliv legury a doprovodné prvky, které se železem tvoří substituční tuhý roztok. Všechny přísady zvyšují tvrdost a pevnost feritu. Jeho houževnatost některé z nich zvyšují (Ni, Cr, Mn) a jiné je snižují (Si).
Perlit je eutektoid vzniklý rozpadem austenitu podle metastabilního systému. Vedoucí fází perlitické přeměny je cementit, vedle něhož pak vznikají lamely feritu. Z jednoho zrna austenitu obvykle vzniká několik zrn perlitu s rozdílnou orientací lamel. Jeho vznik podporuje měď. Ve srovnání s feritem má perlit vyšší pevnost a tvrdost, horší plastické vlastnosti, horší obrobitelnost, vyšší odolnost proti opotřebení. Perlit je v litinách nositelem pevnosti a tvrdosti. Jeho vlastnosti závisí na hustotě perlitu dané jeho dispersitou d. Ta je určena vzdáleností dvou sousedních lamel feritu, obrázek 16. Čím hustější je perlit, tím vyšší jsou jeho mechanické vlastnosti.
|
![]() |
Austenit se za normálních teplot vyskytuje pouze v niklem legovaných litinách nebo jako zbytkový austenit po tepelném zpracování. Je měkký, velmi tvárný, odolný vůči korozi a proti působení vysokých teplot.
Cementit je u nelegovaných ocelí tvořen karbidem železa Fe3C. U legovaných litin můžou být atomy Fe nahrazeny Mn, Cr, W, V nebo Mo. Je velmi tvrdý a křehký. Při vyšším obsahu ve struktuře se litina stává neobrobitelnou.
Ledeburit je eutektikum v metastabilní soustavě Fe-Fe3C. Je tvořeno austenitem a ledeburitickým cementitem. Při eutektoidní teplotě se austenit transformuje na perlit a vzniká tzv. transformovaný ledeburit. Ledeburit je jednou se základních složek bílých litin. V grafitických litinách vzniká v místech s rychlým odvodem tepla, kterým se říká zákalka.

Martenzit vzniká bezdifúzním rozpadem austenitu při kalení nelegovaných nebo legovaných litin. V legovaných litinách vzniká někdy přímo v litém stavu. Je velmi tvrdý a křehký.
Bainit vzniká jako licí struktura v litinách legovaných zejména molybdenem a niklem nebo po tepelném zpracování. Tyto litiny mají vysokou pevnost a tvrdost a poměrně dobré plastické vlastnosti.
značování grafitických litin je v Evropské unii závazné jednotným systémem národních norem ČSN EN 1560. Používají se dva způsoby označování a to:
Označování podle mechanických vlastností je základní formou, používanou hlavně v dokumentacích. Označení litiny dle tohoto systému obsahuje 5 až 6 znaků. Kromě hlavního označení normy EN – GJ (Evropská norma – litiny) se skládá ještě z písmena označujícího typ grafitu a typ matrice a dále mechanické vlastnosti, jako jsou Rm nebo minimální hodnota tažnosti, apod. Toto základní označení může být doplněno o znak, který udává způsob výroby zkušebního vzorku, nebo předepsané hodnoty nárazové práce včetně teploty zkoušky, dále označení tvrdosti atd.
Legované litiny je výhodnější označit dle chemického složení, při kterém začíná číselná část označení písmenem X. Po té následuje obsah uhlíku v 0,01%, chemické značky přísadových prvků a dále jejich průměrné obsahy v hm%.
| 1 | 2 | 3 | 4 | 5 | 6 | ||
| EN | GJ | x | x | - | x | - | x |
| Tvar grafitu (3. pozice) | |||||
| L | Lupínkový | S | Kuličkový | M | Vločkový (temperový uhlík) |
| V | Červíkovitý | Y | Zvláštní tvar | N | Bez grafitu (bílá litina) |
| Struktura matrice (4. pozice) – není nutné ji udávat | |||||
| A | Austenit | M | Martenzit | Q | Struktura po kalení |
| F | Ferit | L | Ledeburit | T | Struktura po zušlechťování |
| P | Perlit | B | Neoduhličená struktura (temperovaná - černý lom) | ||
| W | Oduhličená struktura (temperovaná - bílý lom) | ||||
| Mechanické vlastnosti (5, 6. pozice) | |||||
| Označení pevnosti (číslice udává min.zaručenou pevnost v tahu v Mpa) | |||||
| Označení tažnosti (číslice udává nejmenší hodnotu v %) | |||||
| Způsob výroby zkušebních těles: | |||||
| S | odděleně litý zkušební vzorek | U | přilitý zkušební vzorek | C | zkušební vzorek vyříznutý z odlitku |
| Označení tvrdosti: | |||||
| HB | podle Brinella | HV | podle Vickerse | HR | podle Rockwella |
| Označení teploty zkoušky rázem v ohybu: | |||||
| RT | pokojová teplota | LT | nízká teplota | ||
| Chemické značení (5. pozice) |
| X |
| Třímístná číslice (značí stonásobek procenta uhlíku) |
| Legující prvky (jejich chemická značka) |
| Množství v procentech se odděluje pomlčkami |
| EN GJL- HB155 | Litina s lamelárním grafitem, tvrdost 155 HB. |
| EN GJS-350-22U | Litina s kuličkovým grafitem, s minimální pevností 350 MPa a minimální tažností 22 %, mechanické hodnoty byly stanoveny na přilitém vzorku. |
| EN GJS-400-18-LT | Litina s kuličkovým grafitem, s minimální tažností 18%, zkouška rázem v ohybu při nízké teplotě. |
| EN GJN–X300 CrNiSi 9-5-2 | Ledeburitická litina bez grafitu, se 3 % C, 9 % Cr, 5 % Ni, 2 % Si. |
Číselné označení litin se skládá ze 7 pozic. Za úvodní zkratkou EN-J se uvádí tvar grafitu. Číselná část uvádí vlastnosti litiny a po té pořadové číslo.
| 1 | 2 | 3 | 4 | 5 | 6 | 7 | |
| EN | - | J | X | n | n | n | n |
| Tvar grafitu (3. pozice): | |||||
| L | Lupínkový | S | Kuličkový | M | Vločkový (temperový uhlík) |
| V | Červíkovitý | Y | Zvláštní tvar | N | Bez grafitu (bílá litina) |
| Uvedená vlastnost litiny (4. pozice, 1. číslice): | |
| 1 pevnost v tahu | 3 chemické složení |
| 2 tvrdost | 0, 4-9 rezerva |
| Číselný znak uvádí vlastnosti litiny (5,6. pozice, 2,3. číslice): | |
| Zvláštní požadavky (7. pozice, 4. číslice) | |
| 0 - nejsou požadavky | 5 - nárazová práce při nižší teplotě |
| 1 - samostatně lité vzorky | 6 - stanovená vhodnost ke svařování |
| 2 - přilité vzorky | 7 – tepelně nezpracovaný odlitek |
| 3 - vzorky vyřezané z odlitku | 8 – tepelně zpracovaný odlitek |
| 4 – nárazová práce při pok. t. | 9 – další specifické požadavky |
| EN-JL2171 | Litina s lamelárním grafitem s požadavkem na min. hodnoty tvrdosti s dvojčíslím 17. Vlastnosti jsou zjišťovány na odděleně litých zkušebních vzorcích. |
| EN-JL1010 | Litina s lamelárním grafitem s minimální mezí pevnosti 100 MPa. |
| EN-JL1010 | Litina s kuličkovým grafitem s minimální mezí pevnosti 400 MPa. |
Kromě označování litin dle norem platných v Evropské unii se v praxi stále můžeme setkat s označováním litin dle starších českých norem.
| ČSN | Pozice má neměnné složení znaků |
| 42 | Pozice označuje třídu (materiály na odlitky) |
| 2 | Pozice rozděluje litiny, oceli |
| X |
Zabývá se grafitickými litinami |
| yy | Vyjadřuje pevnost Rm v tahu v desítkách Mpa |
| a | První dodatková číslice (druh tepelného zpracování) |
| b | Druhá dodatková číslice (způsob odlévání) |
| ČSN 42 2410 | Litina s lupínkovým grafitem s mezí pevnosti 100 Mpa, vhodná na tenkostěnné odlitky o tloušťce stěn 4-15 mm. |
Morfologie, rozložení a množství jednotlivých fází ve struktuře a jejich chemické složení ovlivňuje mechanické vlastnosti každého materiálu, zejména litin. Litiny jsou heterogenní materiály, kdy grafit je poměrně měkký a křehký a naopak matrice vykazuje vyšší pevnost a tvrdost. Abychom dokázali definovat některé vztahy mezi vlastnostmi litin a jejich strukturou, musíme výše zmíněné parametry kvantifikovat. Tím se zabývá kvantitativní metalografie, která využívá tři druhy metod kvantifikace strukturních parametrů. Jedná se o:
Hodnocení pomocí etalonů je jednoduchá, rychlá, ale méně přesná metoda (je subjektivní). Je založena na porovnávání hodnocené struktury se standardy ve formě etalonů (příloha norem). Tento jednoduchý postup je normovaný. Základní podmínkou je porovnávat strukturní faktory při stejném zvětšení, při kterém vznikl etalon. Hodnotí se průměrná struktura, ne žádné zvláštnosti či artefakty, zejména v leptaném stavu.
Hodnocením metalografické struktury litin se zabývá norma ČSN 42 0461 nebo ČSN EN 1560, která je rozdělena do 12 etalonů. Zabývá se hodnocením grafitu, perlitu, feritu, cementitu, fosfidového eutektika, popř. bainitu či martenzitu v litinách, viz Tab.1. Jednotlivé příklady etalonů pak znázorňují Tab. 2 až 6.
| Strukturní fáze nebo součásti | Parametr | Číslo etalonové řady |
| Grafit | Tvar | 1, Obr. 11 |
| Rozložení | 2, Tab.2 | |
| Velikost | 3, Tab.3 | |
| Perlit | Tvar | 4, Tab.4 |
| Obsah | 5, Tab.5 | |
| Disperzita | 6, Tab.6 | |
| Ferit | Obsah | 5, Tab.5 |
| Cementit | Obsah | 7 |
| Velikost útvarů | 8 | |
| Fosfidové eutektikum | Typ | 9 |
| Rozložení | 10 | |
| Velikost síťoví | 11 | |
| Velikost útvarů | 12 |
| Označení rozložení | Rozložení grafitu |
| A | Rovnoměrné |
| B | Růžicové |
| C | Smíšené |
| D | Mezidendritické neusměrněné |
| E | Mezidendritické usměrněné |
| Označení třídy velikosti | Velikost grafitu v µm |
| 1 | Nad 1000 |
| 2 | 500 – 1000 |
| 3 | 250 – 500 |
| 4 | 120 – 250 |
| 5 | 60 – 120 |
| 6 | 30 – 60 |
| 7 | 15 – 30 |
| 8 | Do 15 |
| Označení | Tvar perlitu |
| P1 | Lamelární perlit |
| P2 | Zrnitý perlit |
| Označení | Obsah P% | Označení | Obsah F% |
| P | Nad 98 | Fe 0 | Do 2 |
| P 96 | 94 – 98 | F 4 | 2 – 6 |
| P 92 | 90 – 94 | Fe 8 | 6 – 10 |
| P 85 | 80 – 90 | Fe 15 | 10 – 20 |
| P 70 | 60 - 80 | Fe 30 | 20 – 40 |
| P 45 | 30 – 60 | Fe 55 | 40 – 70 |
| P 20 | 10 – 30 | Fe 80 | 70 – 90 |
| P 6 | 2 – 10 | Fe 94 | 90 – 98 |
| P 0 | Do 2 | Fe | Nad 98 |
| Disperzita perlitu | Vzdálenost v µm |
| Pd 0,3 | Do 0,3 |
| Pd 0,5 | 0,3 – 0,8 |
| Pd 1,0 | 0,8 – 1,3 |
| Pd 1,4 | 1,3 – 1,6 |
| Pd 1,6 | Nad 1,6 |
Samotné označení jednotlivých litin dle této normy lze demonstrovat na několika příkladech.
| IA4 P1 Fe80 | Litina s lupínkovým grafitem, o velikosti grafitu 120 až 250 µm, rovnoměrné rozložení grafitu, s perliticko-feritickou matricí, kde je zhruba 80% feritu a perlit se vyskytuje v lamelární podobě. |
| 60% IA5 + 40% ID7 | Litina s lupínkovým grafitem, kde ze 60 % se jedná o rovnoměrné rozložení grafitu při velikosti lupínků od 60 – 120 µm a ze 40% se jedná o mezidendritické neusměrněné uspořádání o velikosti mezi 15 až 30 µm. |
| VI5 P1 P85 Pd0,5 | Litina s kuličkovým grafitem, o velikosti kuliček od 60 do 120 µm, s lamelárním perlitem, kde ho je zhruba 85% o vzdálenosti cementitických lamel v průměru 0,5 µm. |
Měření strukturních parametrů (při použití okulárových stupnic přímo při pozorování nebo na matrici mikroskopu, či na fotografii) umožňuje stanovit číselné hodnoty strukturních parametrů.
Výsledky měření strukturních parametrů jsou vlastně soubory, které se vyhodnocují statisticky. Níže jsou uvedeny metody, kterými můžeme stanovit obsah fází ve struktuře, a dále jsou popsány i na obr. 18.




Automatická analýza obrazu v zásadě vychází ze stejných principů jako měření strukturních fází (předchozí metoda), ale využívá možnosti počítače a automatického zpracování dat na základě obrazové analýzy. Je méně pracná a zaručuje přesnější výsledky.
Jedná se o metodický postup, který v sobě zahrnuje:
| a) | c) |
![]() |
|
| b) | d) |
Nejčastěji se její chemické složení pohybuje okolo 2,5 až 3,5 % C, do 3,5 % Si, 0,4 až 0,8 % Mn, 0,2 až 1,2 % P a 0,08 až 0,12 % S.
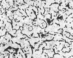
Litina s lupínkovým grafitem, dříve nazývaná šedá litina, má ve struktuře lupínkový (lamelární) grafit. Kromě grafitu i kovovou matrici, která obsahuje ferit, perlit nebo jejich směs, obrázek 20.



Mechanické vlastnosti litiny s lupínkovým grafitem jsou ovlivněny kromě tvaru, velikosti a množství grafitu, především chemickým složením a rychlostí ochlazování. Tyto dva faktory určují zejména konečnou podobu matrice litiny (podíl feritu a perlitu, popř. vznik ledeburitu). Chemické složení ovlivňuje také polohu eutektického bodu, kterou určuje tzv. stupeň eutektičnosti. Přesnější výpočet stupně sycení (eutektičnosti) Sc pro litiny s lupínkovým grafitem je uveden ve vzorci (6). Vliv chemického složení (stupně eutektičnosti) a zároveň rychlosti ochlazování (tloušťka stěny odlitku, materiál formy) na strukturu matrice litiny demonstruje tzv. Sippův diagram, znázorněný na obrázku 21. Podle tohoto diagramu se doporučuje chemické složení litiny s lupínkovým grafitem, které odpovídá stupni eutektičnosti 0,85 až 0,95, kdy vznikne nejvýhodnější perlitická struktura pro tuto litinu.


Stupeň eutektičnosti nám také může pomoci při orientačním odhadu mechanických vlastností litiny. Příkladem je grafická závislost na obrázku 22 a dále empirický vztah (7).


Původně šedá litina má díky svému tvaru grafitu nejhorší plastické vlastnosti (téměř žádnou tažnost) v porovnání s ostatními litinami. Způsobuje to vysoká koncentrace napětí, která se hromadí na ostrých hranách lupínků, viz Obr. 12.
Na druhé straně se lupínky grafitu projevují pozitivně ve struktuře zvýšením schopnosti útlumu a tím snížením citlivosti na účinek vrubů. Skutečnost, že grafit je téměř spojitý rozvětvený útvar se projevuje také kladně na slévárenských vlastnostech, které jsou s ohledem na vynikající zabíhavost (blízko eutektického bodu) a s relativně malým sklonem k smršťování, nejlepší z grafitických litin. Dále mají grafitické litiny a šedá litina obzvlášť lepší tepelnou vodivost než oceli. Je to opět z důvodu tvaru grafitu (spojitého a rozvětveného).
Kromě tvaru grafitu je také velmi důležitá velikost grafitických částic. Čím více máme částic a jsou menší, tím se zvyšuje pevnost litiny. Ke zlepšení pevnostních charakteristik používáme tzv. očkování litin.
Očkování je obecně technologická operace, při které se do tekutého kovu vnáší malé množství vhodně zvolené substance (očkovadla), a tím se zvýší množství krystalizačních zárodků určité fáze. Grafitizační očkování litiny s lupínkovým grafitem umožňuje zvýšit počet krystalizačních zárodků grafitu.
Mechanismus očkování není dosud jednoznačně objasněný. Převládá názor, že očkování prvky, které snižují rozpustnost uhlíku, způsobuje v tavenině v uzavřeném objemu lokálně přesycenou taveninu právě uhlíkem. Takto vznikne shluk grafitu, což je vlastně nový zárodek. Nebo se využívají tzv. oxidické zárodky, kdy po přidání FeSi proběhne v tavenině dezoxidace, jejíž produktem jsou jemné částice SiO2. A ty pak slouží jako zárodky, na kterých vzniká grafit. Očkovadla nejčastěji přidáváme do taveniny buď pouhým sypáním do proudu kovu při vylévání z pece nebo sypáním do licí pánve, která je z ¼ naplněná. Ferosilicium FeSi75 (slitina Fe se 75 % Si) je nejčastěji používaným očkovadlem. Důvodem je jeho cena a dostupnost. Dodává se ve formě zrnité, drátu nebo kompaktního bloku. V současnosti se na trhu nabízí velmi široká škála očkovadel, viz. tab. 7.
| Očkovadlo | Obsah základních prvků, % (zbytek je Fe) |
| FeSi75 | Min. 68 Si, max. 0,5 Mn, max. 1,7 Al, max. 0,4 Cr |
| SIMANCAL | Si 70-75, Mn 2-4, Ca 0,8-2, Al 1-2 |
| Foundry-Grade 75 | Si 75±2, Al max. 1,25, Ca 0,8±0,2 |
| Foundrysil 75 | Si 75±2, Al max. 1,25, Ca 1,0±0,25, Ba 1,0±0,25 |
| Superseed 75 | Si 75±2, Al max. 0,5, Ca max. 0,1, Sr 0,8±0,2 |
| Zirconic | Si 75±Al 1,25±0,25, Ca 2,25±0,25, Zr 1,55±0,25 |
| Inogen 75 | Si cca 75, Al+Ca cca 2,5 |
| Inoculoy 63 | Si 60-65, Mn 7-12, Ca 1,5-3, Ba 4-6, Al 1-1,5 |
| Optinoc Z | Si 73-78, Zr 1,2-2,0, Ca 1,5-3,5, Al 1,2-2,2 |
| SB 5 | Si 64-70, Ba cca 2, Al cca 1,5, Ca cca 1 |
| Inoculin | Si cca 65, Zr cca 5, Ca cca 1,3, Mn cca 3,5, Al cca 1,3 |
Litiny pro běžné použití jsou očkované litiny typu EN GJL-100 a EN GJL-150. Tyto litiny jsou vhodné na tenkostěnné odlitky s tloušťkou stěny od 4 do 30 mm, nebo na odlitky, u kterých se nepožaduje záruka mechanických vlastností. Používají se pro výrobu součástí pecí, kotlů, roštů, odlitky na smaltování, vodovodní tvarovky, části textilních či polnohospodářských strojů, kanálové poklopy, mříže, více v tabulkách 8, 9.
Do druhé skupiny lze zařadit litiny EN GJL-200 a EN GJL-250. Jsou obvykle očkované 75 % ferosiliciem. Odlévají se z nich odlitky, u kterých se požaduje záruka mechanických vlastností (pevnost v tahu a tvrdost). Nejčastěji se používají v automobilovém a strojařském průmyslu. Jsou vhodné na převodové skříně, stojany lisů, soustruhy, frézky, motorové vložky, ozubená kola, motorové bloky, hlavy válců, písty, kompresorové válce, řemenice, více v tabulkách 8, 9.
Litiny s vysokou pevností jsou např. EN GJL-300 a EN GJL-350. Obvykle se označují jako jakostní litiny. Používají se na stojany těžkých lisů a obráběcích strojů, armatury, písty těžkých kompresorů, velká ozubená kola, pastorky, více v tabulkách 8, 9.
| Vlastnost | Označení litiny dle EN a ČSN | ||||||
|
EN-GJL-150
(EN-JL 1020)42 2415
|
EN-GJL-200
(EN-JL 1030)42 2420
|
EN-GJL-250
(EN-JL 1040)42 2425
|
EN-GJL-300
(EN-JL 1050)42 2430
|
EN-GJL-350
(EN-JL 1060)42 2435
|
|||
| struktura | |||||||
| feriticko perlitická | perlitická | ||||||
| Pevnost v tahu | Rm | N/mm2 | 150 až 250 | 200 až 300 | 250 až 350 | 300 až 400 | 350 až 450 |
| Smluvní mez kluzu | Rp0,1 | N/mm2 | 98 až 165 | 130 až 195 | 165 až 228 | 195 až 260 | 228 až 285 |
| Tažnost | A | % | 0,8 až 0,3 | 0,8 až 0,3 | 0,8 až 0,3 | 0,8 až 0,3 | 0,8 až 0,3 |
| Pevnost v tlaku | σdb | N/mm2 | 600 | 720 | 840 | 960 | 1080 |
| Pevnost v ohybu | σbB | N/mm2 | 250 | 290 | 340 | 390 | 490 |
| Pevnost ve střihu | σaB | N/mm2 | 170 | 230 | 290 | 345 | 400 |
| Pevnost v krutu | τ tB | N/mm2 | 170 | 230 | 290 | 345 | 400 |
| Max. tvrdost | HB | 200 | 200 | 240 | 260 | 270 | |
| Modul pružnosti | E | kN/mm2 | 78 až 103 | 88 až 113 | 103 až 118 | 108 až 137 | 123 až 143 |
| Poissonův poměr | υ | - | 0,26 | 0,26 | 0,26 | 0,26 | 0,26 |
| Únavová pevnost v ohybu | σbW | N/mm2 | 70 | 90 | 120 | 140 | 145 |
| Mez únavy, tah-tlak |
σzdW | N/mm2 | 40 | 50 | 60 | 75 | 85 |
| Lomová houževnatost | KIC | N/mm3/2 | 320 | 400 | 480 | 560 | 650 |
| Hustota | ς | g/cm3 | 7,10 | 7,15 | 7,20 | 7,25 | 7,30 |
|
Měrné teplo 20°C-200°C 20°C-600°C |
c | J/(kg.K) |
460 535 |
||||
| Měrný odpor | ρ | Ω.mm2/m | 0,80 | 0,77 | 0,73 | 0,70 | 0,67 |
| Značka | Charakteristika | Použití |
|
GJL-150
(JL-1020)42 2415
|
nelegovaná, pro obecné použití | Litina je vhodná pro odlitky s tloušťkou stěn od 5 do 30 mm. Např. na smaltované výrobky, vodovodní tvarovky, součásti textilních a polnohospodářských strojů, na části motorů jako víka, poklopy, ložiskové tělesa, řemenice. Pro teploty od -60 do 500 °C. |
|
GJL-200
(JL 1030)42 2420
|
nelegovaná, pro obecné použití, pro vyšší teploty | Litina je vhodná pro odlitky s tloušťkou stěn 8 až 45 mm. Např. na odlitky strojů, armatur, částí pístových motorů, turbín, na válce kompresorů apod. Pro teploty -60 až500 °C. |
|
GJL-250
(JL 1040)42 2425
|
nelegovaná, pro vyšší tlaky a namáhání, pro vyšší teploty | Litina je vhodná pro odlitky s tloušťkou stěn od 15 do 70 mm. Např. na válce motorů, součásti turbín, podřadnější ozubená kola, stojany obráběcích strojů, skříně převodů. Pro teploty od -60 do 500 °C. |
|
GJL-300
(JL-1050)42 2430
|
nelegovaná, pro vyšší tlaky a namáhání, pro vyšší teploty | Je vhodná pro odlitky s tloušťkou stěn od 25 až do 100 mm. Je vhodná na velmi namáhané odlitky strojních součástí, na stojany těžkých obráběcích strojů, na speciální odlitky, součásti armatur. Pro teploty od -60 do 500 °C. |
|
GJL-350
(JL-1060)42 2435
|
nelegovaná, pro vyšší tlaky a namáhání, pro vyšší teploty | Litina je vhodná pro odlitky s tloušťkou stěn od 40 do 150 mm i víc. Např. na těžké, vysoce namáhané odlitky jednoduchých tvarů s mírnými přechody průřezů, na stojany velmi těžkých strojů, tělesa čerpadel. Pro teploty od -60 do 500 °C. |
Cílem legování do cca 1 % je získání takových vlastností litin, které nelze u nelegovaných docílit. Hlavními legujícími prvky jsou vanad, chrom, molybden, měď, nikl a cín, popřípadě i hliník, titan. Některé z těchto prvků jsou karbidotvorné a jiné grafitotvorné. U těch karbidotvorných prvků (V, Cr) musíme dát pozor na množství přísady, aby nedošlo ke vzniku ledeburitu ve struktuře. Tyto prvky musí být proto omezeny nebo kompenzovány prvky grafitotvornými (Cu, Ni).
Legování litin s lupínkovým grafitem se provádí z důvodu:
Pro zvýšení mechanických vlastností litin je potřebné dosáhnout čistě perlitickou jemnozrnnou strukturu s vysokou disperzitou perlitu (minimální mezilamelární vzdálenost). Leguje se obvykle kombinací karbidotvorných prvků Cr, V a Mo s grafitotvornými prvky Cu a Ni a to v takovém poměru, aby byla struktura homogenní, bez výskytu feritu a bez volných karbidů. Tyto legury snižují kritické rychlosti transformace a tím umožňují získat čistě perlitickou strukturu i při pomalejším ochlazování. Současně zvyšují prokalitelnost a zlepšují možnost tepelného zpracování.
Perlitickou strukturu a tím zvýšení mechanických vlastností můžeme dosáhnout i přísadou dusíku. Za optimální rozsah se považuje 70 - 100 ppm dusíku. Při překročení meze rozpustnosti vznikají v litině bubliny.
Zjemnění struktury je další cestou jak zvýšit mechanické vlastnosti. Při zvýšení počtu eutektických buněk se zvyšuje homogenita struktury, zvyšuje se pevnost, tvrdost a dynamické vlastnosti litin.
Jak bylo výše uvedeno, litiny s jemnozrnným perlitem mají nejlepší mechanické vlasnosti. Obsah perlitu a jeho disperzita je závislá nejen na legování, ale hlavně na rychlosti ochlazování. Čím je vyšší rychlost ochlazování, tím je větší podíl perlitu s jemnozrnnější strukturou.
Všechny odlitky z litin s lupínkovým grafitem je možné používat při teplotách mezi –60 až 500 °C. Při teplotách vyšších, litiny své mechanické vlastnosti ztrácí, dochází k oxidaci a ke creepu. K zvýšení odolnosti vůči těmto teplotách na určitou dobu slouží legury Cr, Ni a Mo. Zvýšení odolnosti vůči oxidaci se dosáhne zjemněním struktury a legováním Cr a dále Cu, Ni, Mo a jejich kombinací.
K tepelné únavě odlitků dochází po cyklickém tepelném namáhání. Tepelná únava se projevuje postupným vznikem prasklin k tzv. mapování na povrchu odlitků a k hloubkové oxidaci litiny. Odolnost vůči tepelné únavě zvyšují všechny prvky, které stabilizují perlit při vyšších teplotách a ty prvky, které podporují vznik jemného (hustého) perlitu. Jsou to Mo, Cr, Ni. To zvýší životnost odlitků a zvýší počet tepelných cyklů do porušení. Také se osvědčují litiny s vysokým obsahem uhlíku ve formě volného grafitu, které mají dobrou tepelnou vodivost.
Odolnost vůči korozi se nedá nízkým legováním příliš zvýšit. Ale lze prodloužit životnost součástek. Účinek legur spočívá ve vytvoření jemnozrnné hutní povrchové vrstvy z korozních zplodin, která brání dalšímu postupu koroze do hloubky odlitku. Odolnost proti korozi jednotlivých strukturních složek se zvyšuje v pořadí: ferit, perlit, cementit, grafit. Pro použití v korozním prostředí je proto výhodná struktura jemnozrnného perlitu. Odolnost vůči korozi se zvyšuje přídavkem Cu (do 2 % snižuje atmosférickou korozi), Ni (do 3 % snižuje korozi v neoxidačních kyselinách) a Cr (do 0,8 % způsobuje zjemnění struktury).
Tepelné zpracování u litin s lupínkovým grafitem lze rozdělit do dvou skupin a to podle teploty ohřevu (Obr. 23).
Maximální teplota tepelného zpracování je nižší než eutektoidní A1,1 - A1,2a) Žíhání ke snížení zbytkové napjatosti po odlití se obvykle používá u tvarově složitých odlitků. Při vychladnutí vzniká v odlitku značné tepelné (tahové) napětí, které zvyšuje rychlost chladnutí, nerovnoměrná tloušťka stěny odlitků apod. Toto napětí může být velké a způsobit prasknutí odlitku. Může se uvolnit ještě ve formě, či po určité době. Vnitřní pnutí je potřeba odstranit ještě před obráběním a to uměle, žíháním při teplotě pod A1,1. Podle diagramu na obrázku 23, klesá napětí až po výdrži na teplotě nad 400 °C. Celkem se odstraní až po překročení teploty 500 °C a výdrže 1 000 min. Nad teplotou 550 °C však už probíhá částečná sferoidizace eutektického cementitu, takže začíná pozvolna klesat pevnost. Po výdrži na teplotě by se mělo ochlazovat rychlostí 25 až 80 °C za hodinu, aby se napětí znovu nevytvořilo.
b) Sferoidizačním žíháním se snižuje tvrdost a zlepšuje obrobitelnost. Mění se poměr perlitu a feritu ve struktuře.
c) Při feritizačním žíhání by se měl zvýšit podíl feritu na úkor perlitu, tvrdost klesá. Tato technologie má mnohé úskalí, proto se v praxi používá výjimečně.

d) Žíhání ke snížení tvrdosti se provádí, jestliže se vyskytne ve struktuře ledeburit, který způsobuje vážné problémy při obrábění. Rozpad ledeburitického cementitu probíhá za teplot 900 až 950 °C po dobu zhruba 2 až 3 hodiny. Po té je doporučená ochlazovací rychlost 50 až 100 °C za hodinu. Pokles teploty přes eutektoidní interval je potřeba regulovat, aby výsledný poměr feritu a perlitu odpovídal požadavkům. Po vychladnutí je nutné žíhat ke snížení pnutí.
Dále se může používat i tzv. normalizační žíhání, které se využívá, když se zvýší obsah křemíku v tavenině a tak klesne požadovaná pevnost odlitku (zvýší se tím množství feritu). Žíhá se na teplotě 880 až 920 °C, výdrž bývá krátká, obvykle stačí 2 až 3 hodiny. Po skončení výdrže se odlitky ochlazují na vzduchu. Po vychladnutí je nutné žíhat ke snížení pnutí.
e) Kalení u tohoto typu litin není vhodné, protože se na ostrých koncích grafitu tvoří praskliny.
f) Povrchové kalení se používá u odlitků, kde je třeba zvýšit tvrdost rovných či rotačních ploch (odolnost proti opotřebení).
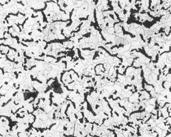
Litina s kuličkovým (zrnitým) grafitem (podle staršího označení tvárná litina) obsahuje ve struktuře grafit vyloučený v podobě kuliček, dále matrici se strukturou perlitickou, se směsí perlitu a feritu a se strukturou čistě feritickou, obrázek 24.
Chemické složení těchto litin se pohybuje okolo 3,2 až 4,2 % C, 1,5 až 4 % Si, 0,4 až 0,8 % Mn, pod 0,1 % P, pod 0,02 % S. Konkrétní obsahy jednotlivých prvků uvádí tabulka 10 v závislosti na požadované matrici.
| Struktura | % C | % Si | % Mn | % P | % S | % Mg |
| Ferit v litém stavu nebo po feritizačním žíhání | < 4,00 | < 2,5 | < 0,2 | < 0,05 | < 0,01 | 0,03 až 0,06 |
| Ferit/perlit v litém stavu nebo po žíhání | < 4,00 | 1,7 až 2,8 | < 0,3 | < 0,1 | < 0,01 | 0,03 až 0,06 |
| Perlit v litém stavu nebo po normalizačním žíhání | < 4,00 | 1,7 až 2,8 | 0,5 až 0,25 | < 0,1 | < 0,01 | 0,03 až 0,06 |





Částice grafitu ve formě kuliček jsou složité polykrystaly. Primární pyramidální krystality jsou paprskovitě uspořádány a tvoří tak jednu grafitickou částici, viz obrázek 25. Existuje několik teorií, jak litina s kuličkovým grafitem krystalizuje. Tou nejznámější je popis vlivu přidávaných látek do tekutého kovu, které zvyšují povrchové napětí na rozhraní grafit – tavenina a vyvolávají tak krystalizaci do tvaru s nejmenším povrchem (koule). Z toho plyne, že aby vznikl kuličkový grafit, nestačí jen železo,uhlík a křemík, ale musí se do taveniny dodávat skupina prvků, které ovlivňují růst zárodku do požadovaného tvaru. Tato technologická operace se nazývá modifikování a látka, kterou se modifikuje, je modifikátor. Ty jsou nejčastěji na bázi hořčíku. Hořčík však zvyšuje stabilitu karbidů, proto je nutné, aby po modifikaci následovalo grafitizační očkování, viz Obr. 3 a kapitola očkování.

Existuje několik postupů, kterými se může litina kuličkovým modifikovat. Modifikátor (Mg a jeho slitiny) se vnáší do tekutého kovu nejrůznějšími metodami a to metodou přelívací v otevřené pánvi, ponornou metodou, různými průtokovými metodami, modifikování čistým hořčíkem v konvertoru apod.
Za minimální obsah Mg, který je potřeba na vznik kuličkového grafitu, se považuje 0,01 % s přídavkem ceru a jiným prvků vzácných zemin nebo 0,02 %, když je hořčík použitý samotný. Druhy modifikátorů lze rozdělit do následujících skupin a to:

Někdy po chybách v modifikaci, po nesprávných ochlazovacích rychlostech a jiných faktorech může dojít ke vzniku odchylek od kulovitého tvaru grafitu. Mohou vzniknout tyto tvary grafitu:
Červíkovitý grafit vzniká v litině po nedostatečné modifikaci, např. při malém množství modifikační přísady.
Rozpadnutý, explodovaný grafit se může vyskytnout v odlitcích z nadeutektické litiny, nebo při velmi pomalých ochlazovacích rychlostech.
Prvky podporující vylučování lupínkového grafitu segregují do naposled tuhnoucích míst, ve kterých dosahují vysokou koncentraci a způsobí tak, že se v těchto prostorech vyloučí lupínkový grafit (na hranicích eutektických buněk). Nejčastěji k tomu dochází ve velkých odlitcích, kde je na tuto segregaci dostatečně dlouhý čas.
Takzvaný Chunky grafit se tvoří uvnitř buněk, přičemž buňkové hranice mohou obsahovat i kvalitní kuličkový grafit. Proces vzniku tohoto typu grafitu není jednoduchý a není ovlivněn jen jedním faktorem, ale jejich kombinací. Nejčastěji k němu dochází při nízkých ochlazovacích rychlostech (velká tloušťka stěny odlitku).
Uhlík a křemík jsou jediné prvky, které významně podporují bezkarbidickou strukturu v litém stavu. Horní hranici jejich obsahu vymezuje rozpustnost uhlíku v tekuté slitině a případně zvýšená křehkost, snížená tepelná vodivost, snížení nárazové práce, zvýšení přechodové teploty při rostoucím obsahu křemíku. Křemík na druhou stranu zpevňuje ferit a zvyšuje tak jeho tvrdost, hlavně v žíhaném stavu.
Kromě uhlíku a křemíku se v litině s kuličkovým grafitem vyskytuje i mangan. Mangan je velmi silný aktivátor karbidů, proto je jeho obsah ve slitině řízen, abychom předešli tvorbě karbidů v litém stavu. Jeho maximální obsah je řízený množstvím křemíku a tloušťkou stěny odlitku.
Fosfor je prvek, který se vyskytuje ve všech vsázkových surovinách a vyskytuje se proto i v litinách. Vytváří fosfid železa (Fe3P), který segreguje do naposled tuhnoucích míst (hranice buněk). Tyto místa mohou obsahovat až dvojnásobek obsahu P a v tenkých odlitcích až jeho desetinásobek. Fosfid železa je velmi tvrdá a křehká fáze. Při obsahu P z 0,03 na 0,06 % může dojít ke snížení tažnosti litiny na polovinu. To má za následek i snížení houževnatosti, pevnosti, zvýšení popouštěcí křehkosti apod. Měl by se proto dodržet obsah fosforu menší než 0,04 %. Proto se doporučuje používat kvalitní vsázku, kde je fosforu minimum.
Stabilizace perlitu ve struktuře a tím zvýšení pevnosti a tvrdosti litiny zabezpečují přísady jako je Sn, Mo, P, Cu, Ti, Mn, Ni a Cr, ze kterých mají negativní účinky P, Ti, Mn a Cr a z ekonomických důvodů není aktuální doporučovat Ni a Mo. Základní perlitizační přísadou jsou tedy Cu a Sn. Účinek cínu je asi desetinásobný oproti mědi. Má ale nevýhodu, že podporuje vznik mezibuňkového lupínkového grafitu. Proto se ho doporučuje jen 0,05 %. Na druhé straně je přidávání mědi bezpečné až do 2 %.
Vlastnosti odlitků z litin s kuličkovým grafitem závisí na množství, velikosti a druhu grafitu (dokonalý a částečně zrnitý) a od složení základní matrice (poměr mezi feritem a perlitem). Množství a velikost grafitu závisí u nelegovaných litin na množství uhlíku, křemíku a manganu, dále na rychlosti ochlazování (tloušťka stěny, materiál formy).
V porovnání s litinami s lupínkovým grafitem má litina s kuličkovým grafitem větší pevnost, modul pružnosti, tvrdost (perlitické matrice), tažnost a nárazovou práci (feritická matrice) apod. Tyto litiny se legují převážně proto, abychom zlepšili konkrétní mechanické vlastnosti, zvýšila odolnost vůči oxidaci a aby byla spolehlivě dosažena požadovaná struktura v litém stavu, popř. po tepelném zpracování.
Aby bylo dosaženo maximálních pevností (struktura perlitická, sorbitická či bainitická) je doporučeno legovat mědí, a to od 1 do 1,5 %, nebo cínem do 0,1 % a také provést tepelné zpracování. Po zvláštním typu tepelného zpracování, tzv. bainitickém zušlechťování, vznikne kovová matrice bainitická, která má tu nejvyšší pevnost, při zachování relativně dobré houževnatosti. Jsou to tzv. ADI litiny.
Hloubková oxidace způsobená pronikáním kyslíku podél grafitu do hloubky litiny je u litin z kuličkovým grafitem méně častá než u litin s lupínkovým grafitem. Odolnost vůči oxidaci se zvýší přidáním křemíku (do 4 % Si), který na povrchu odlitku vytváří hustou oxidickou vrstvu.
Litina s kuličkovým grafitem je v současnosti nejpoužívanější litinou a je někdy používaná místo ocelí na odlitky. Úspory, které tato litina přinese, nejsou zanedbatelné (úspora energie při tavení, úspora kovu) a mají některé vlastnosti lepší (menší měrná hmotnost, dobré kluzné vlastnosti, tlumící vlastnosti, lepší slévárenské vlastnosti, lehčí obrobitelnost apod.).
Značení litin, jejich mechanické a fyzikální vlastnosti, spolu s jejich použitím jsou uvedeny v tabulkách 11 a 12.
Podle použití je možné rozdělit litiny s kuličkovým grafitem do třech skupin.
Litiny pro běžné použití. Tyto litiny pracují i při nízkých teplotách např. EN GJS350-22, EN GJS400-15 a EN GJS400-18. Jsou vhodné na odlitky dynamicky namáhané, u kterých se požaduje záruka mechanických vlastností a hlavně vysoké plastické hodnoty i při nízkých teplotách (např.– 50 °C).
Litiny pro běžné použití pro práci za nízkých teplot. Jsou to EN GJS500-7, EN GJS600-3. Tyto litiny jsou vhodné na odlitky dynamicky namáhané, v automobilovém a strojařském průmyslu, jako jsou vačkové, klikové hřídele, dále součástky na převodové skříně, motorové vložky a ozubená kola.
Litiny s nejvyšší pevností EN GJS700-2, EN GJS800-2 a EN GJS900-1. Většinou jsou to velmi mechanicky a dynamicky namáhané litiny v automobilovém a strojním průmyslu.
| Značka EN ČSN | Charakteristika | Použitelnost | A min [%] | Rm min [MPa] | HB max. |
|
GJS350-22
(JS 1010)42 2303
|
feritická, pro vyšší tlaky a namáhání, pro nízké teploty, pro vyšší teploty | Litina je vhodná pro odlitky s tloušťkou stěny od 5 do 100 mm i víc. Např. na součástky cestovních vozidel a polnohospodářských strojů, na součástky armatur a jiné dynamicky namáhané odlitky. | 17 | 370 | 184 |
|
GJS400-15
(JS 1030)42 2304
|
feritická, pro všeobecné použití, pro vyšší tlaky a namáhání, pro vyšší teploty | Litina je vhodná pro odlitky s tloušťkou stěny 5 až 100 mm i víc. Např. na součástky cestovních vozidel a polnohospodářských strojů, převodové a ložiskové skříně, na tělesa armatur a jiné dynamicky namáhané odlitky. | 12 | 400 | 204 |
|
GJS400-15
(JS 1030)42 2304
|
feritická, pro všeobecné použití, pro vyšší tlaky a namáhání, pro vyšší teploty | Litina je vhodná pro odlitky s tloušťkou stěny 5 až 100 mm i víc. Např. na součástky cestovních vozidel a polnohospodářských strojů, převodové a ložiskové skříně, na tělesa armatur a jiné dynamicky namáhané odlitky. | 12 | 400 | 204 |
|
GJS600-3
(JS 1060)42 2306
|
perliticko-feritická, pro vyšší tlaky a namáhání, otěruvzdorná | Litina je vhodná pro odlitky s tloušťkou stěny od 5 do 100 mm a to na součástky namáhané mechanicky a otěrem. Např. na klikové a vačkové hřídele, písty, pístní kroužky, na ozubená kola apod. pro teploty do –100 oC. | 3 | 600 | 270 |
|
GJS700-2
(JS 1070)42 2307
|
perlitická, pro vyšší tlaky a namáhání, otěruvzdorná | Litina je vhodná pro odlitky s tloušťkou stěny od 5 až 75 mm na součástky více namáhané a odolné vůči otěru. Je vhodná na ozubená kola, klikové a vačkové hřídele, kola čerpadel a rozváděcí kola, brzdové bubny apod. | 2 | 700 | 300 |
|
GJS800-2
(JS 1080)42 2308
|
perliticko-sorbitická, pro vyšší tlaky a namáhání, otěruvzdorná | Litina je vhodná pro odlitky s tloušťkou stěny 5 až 35 mm pro součástky mechanicky i dynamicky namáhané, konkrétně na ozubená kola, klikové a vačkové hřídele, kola čerpadel a rozváděcí kola, brzdové bubny apod. | 2 | 800 | 348 |
| Vlastnost | Označení materiálu dle EN a ČSN | |||||
|
GJS-350-22
(JS 1010)42 2303
|
GJS-500-7
(JS 1050)42 2305
|
GJS-600-3
(JS 1060)42 2306
|
GJS-700-2
(JS 1070)42 2307
|
GJS800-2
(JS 1080)42 2308
|
||
| Pevnost ve střihu | N/mm2 | 315 | 450 | 450 | 540 | 630 |
| Pevnost v krutu | N/mm2 | 315 | 450 | 540 | 630 | 720 |
| Modul pružnosti E | GN/m2 | 169 | 169 | 174 | 176 | 176 |
| Poissonův poměr λ | - | 0,275 | 0,275 | 0,275 | 0,275 | 0,275 |
| Mez únavy (ohyb za rotace) bez vrubu | N/mm2 | 180 | 224 | 248 | 280 | 304 |
| Mez únavy (ohyb za rotace) s vrubem | N/mm2 | 114 | 134 | 149 | 168 | 182 |
| Pevnost v tlaku | n/mm2 | - | 800 | 870 | 1000 | 1150 |
| Lomová houževnatost | MPa.√m | 31 | 25 | 20 | 15 | 14 |
| Tepelná vodivost 300 °C | W/(k.m) | 36,2 | 35,2 | 32,5 | 31,1 | 31,1 |
| Hustota | kg/dm3 | 7,1 | 7,1 | 7,2 | 7,2 | 7,2 |
| Měrný odpor | μΩ.m | 0,50 | 0,51 | 0,53 | 0,5 | 0,54 |
Způsoby tepelného zpracování této litiny lze rozdělit do dvou skupin: žíhání a zušlechťování.
Žíhání ke snížení zbytkové napjatosti, více popsáno u litin s lupínkovým grafitem.
Sferoidizačním žíháním se snižuje tvrdost a zlepšuje obrobitelnost. Toto tepelné zpracování se používá výjimečně, protože se při něm poruší uspořádání v matrici (tj. poměr feritu a perlitu). Jestliže má litina získat opět původní vlastnosti, je potřebně provést normalizační žíhání s regulovanou rychlostí ochlazení.
Při feritizačním žíhání musí vzniknout feritická struktura v celém průřezu. Provádí se ohřev do teplot 850 až 920 °C, prodleva je v hodinách a ochlazování na volném vzduch o rychlosti 100 až 150 °C/h.
Normalizační žíhání se používá, když se zvýší příliš obsah křemíku v tavenině a klesne tak požadovaná pevnost odlitků.
Žíhání na odstranění volného cementitu je potřebné, když se ve struktuře objeví ostrůvky cementitu, které způsobují problémy při obrábění a snižují mechanické vlastnosti.
Povrchové kalení indukční nebo plamenem se používá u odlitků, u kterých je požadována vysoká tvrdost do určité hloubky. Provádí se ohřev do teplot 850 až 920 °C, prodleva je závislá na hloubce zakalení a následuje rychlé ochlazování do vody či oleje. Poté může následovat popouštění.
Izotermické zušlechťování na bainit je velmi časté tepelné zpracování litin s kuličkovým grafitem. Těmto slitinám se pak říká tzv. ADI litiny z anglického Austempered Ductile Iron a jsou vhodné pro vysokopevné odlitky, viz tabulka 13. a obr. 28. Izotermické zušlechťování se skládá z austenitizace, rychlého ochlazení na teplotu v bainitické oblasti a dochlazení na pokojovou teplotu, obr. 27. Při austenitizaci se materiál ohřeje na teplotu 850 až 1 000 °C (tzn. nad A1,2), na které zůstává po dobu, než se struktura zaustenitizuje (1 - 3 h). Po té následuje rychlé ochlazení na teplotu izotermické přeměny (do bainitické oblasti) v austenitické peci. Následuje přemístění materiálu do solné lázně s teplotou 250 až 450 °C. Vyšší teploty způsobí vznik struktury (horního bainitu), která má nižší pevnostní vlastnosti a tvrdost, ale vyšší plastické vlastnosti, houževnatost, únavové vlastnosti apod. Při nižších teplotách pak vzniká struktura (dolního bainitu), která má vyšší pevnost, tvrdost a odolnost vůči opotřebení odlitku, ale houževnatost je menší.
| Vlastnosti | EN-GJS-800-8 |
EN-GJS-100-5 |
EN-GJS-1200-2 |
EN-GJS-1400-1 |
|
| Mez pevnosti v tahu | [N/mm2] | 800 | 1000 | 1200 | 1400 |
| Tažnost A5 | [%] | 8 | 5 | 2 | 1 |
| Nárazová práce při RT | [J] | 10 | - | - | - |
| Mez pevnosti v tlaku | [N/mm2] | 1300 | 1600 | 1900 | 2200 |
| Tvrdost | HB | 260-320 | 300-360 | 340-440 | 380-480 |
| Poissonovo číslo | - | 0,27 | 0,27 | 0,27 | 0,27 |
| Tepelná vodivost | [W/mK] | 22,1 | 21,8 | 21,5 | 21,2 |
| Měrná hmotnost | [103kgm-3] | 7,1 | 7,1 | 7,1 | 7,1 |

![]() |
![]() |
Litina s červíkovitým grafitem má ve struktuře zvláštní tvar grafitu a to červíkovitý či vermikulární grafit. Někdy obsahuje i malé množství nedokonale zrnitého grafitu (cca 20 % z celkového objemu vyloučeného grafitu). Matrice bývá nejčastěji perlitická, feritická, či kombinace obou složek, viz obrázek 29.
Chemické složení těchto litin se pohybuje okolo 3,2 až 4,2 % C, 1,5 až 4 % Si, 0,4 až 0,8 % Mn, pod 0,1 % P, pod 0,02 % S (stejně jako litina s kuličkovým grafitem).



Červíkovitý (vermikulární) grafit je morfologická varianta grafitu, nacházející mezi lupínkovitým a zrnitým grafitem. Je známý spíše jako nežádoucí forma vyloučeného grafitu v tvárné litině. Někdy se objevuje jako důsledek nedostatečného modifikování nebo při relativně vysokém obsahu síry.
Tato litina se mnohdy vyrábí záměrně a to o poměru min. 80 % červíkovitého grafitu a max. 20 % nedokonale nebo pravidelně zrnitého grafitu. Vyrábí se ze surovin, které odpovídají svým chemickým složením jako litina s kuličkovým grafitem. Požaduje se přibližně eutektické složení a nízký obsah síry (do 0,02 %).
Podstatou její výroby je způsob modifikace, který zabezpečí neúplnou sferoidizaci grafitu. Jsou známé čtyři hlavní druhy modifikování.
Po modifikování tvaru grafitu je potřebné vždy zařadit grafitizační očkování. Používají se přednostně očkovadla typu FeSi75, v množství 0,4 - 0,7 %. Výsledné tvary červíků mohou vypadat následovně (viz. obrázek 30).
![]() |
![]() |
![]() |
![]() |
Struktura matrice litin s červíkovitým grafitem (viz obr. 31) v litém stavu závisí nejen na chemickém složení, ale i rychlosti ochlazování a na množství modifikátoru. Pro optimální modifikované odlitky je typická feriticko-perlitická matrice se 40 – 70 % feritu (obrázek 29b).

Mechanické vlastnosti této slitiny stojí mezi vlastnostmi litiny s lupínkovým a kuličkovým grafitem. Tato litina však není v České Republice normovaná. Podle DIN norem se rozeznává pouze pět druhů této litiny a to: GJV 300, GJV 350, GJV 400, GJV 450 a GJV 500. Mechanické vlastnosti jsou uvedeny v tabulce níže.
| Vlastnost | GJL-250 |
GJV-300
feritická
|
GJV-400
feriticko-perlitická
|
GJV-500
perlitická
|
GJS-700-2 |
| Rm, MPa | 250 | 300 | 400 | 500 | 700 |
| Rp0,2, MPa | - | 240 | 300 | 340 | 400 |
| A, % | 0,3 | 1,5 | 1,0 | 0,5 | 2,0 |
| E, GPa | 103 | 140 | 160 | 170 | 177 |
| Mez únavy,MPa | 60 | 100 | 135 | 175 | 245 |
| Tepelná vodivost,Wm-1K-1 | 45 | 45 | 40 | 35 | 30 |
Charakteristická kombinace vlastností předurčuje tuto litinu na výrobu tvarově složitých odlitků, pro které nepostačuje tvárná litina svými slévárenskými vlastnostmi a šedá litina svými mechanickými vlastnostmi. Další vhodné použití této slitiny je na mechanicky namáhané odlitky, které pracují v podmínkách tepelných rázů.
Hlavní aplikací litiny s vermikulárním grafitem jsou odlitky pro automobilový průmysl (hlavy válců, výfuky, ventilová pouzdra, pístové kroužky, bloky válců).
Dříve byly zkoušeny i metody tepelného zpracování pro zlepšení vlastností této litiny tj. na získání pevnější matrice (perlitické, bainitické, martenzitické, sorbitické). Bohužel však zvýšení pevnosti bylo doprovázené podstatným zkřehnutím struktury. Reálné využití ovlivnění mechanických vlastností lze očekávat pouze od perlitizačního či feritizačního žíhání, po kterém je zkřehnutí materiálu nejmenší.
Temperované litiny jsou svým chemickým složením podeutektické bílé litiny s nízkým stupněm eutektičnosti, které jsou tepelně zpracovány tzv. temperováním. Temperování je vlastně dlouhotrvající žíhání odlitků z bílé litiny, kdy se začíná rozpadat ledeburitický či perlitický cementit. Tímto procesem vzniká vločkový grafit, který je typický pro tuto litinu.
Rozeznáváme dva druhy temperovaných litin a to:

Temperování na bílý lom probíhá při teplotách okolo 1000 °C. Povrch temperované litiny je oduhličený, viz obrázek 33. Oduhličením povrchu vzniká koncentrační spád uhlíku od povrchu k jádru, který umožňuje další difúzi atomů uhlíku z jádra na povrch odlitku. Při oduhličovaní se snižuje obsah uhlíku v austenitu. Takto porušená rovnováha mezi austenitem a cementitem se vyrovná rozpouštěním cementitu (a jiných karbidů) v austenitu. Tento proces začíná nejdříve na povrchu odlitku a v dalších etapách ústí k jádru. Ochlazením litiny po temperování na místech, kde je austenit ochuzený o uhlík, nastává jeho překrystalizace na ferit. Ve vnitřních, méně oduhličených vrstvách vzniká směs feritu a perlitu. Tam, kde je uhlíku dostatek vzniká grafit, který má pavoučkovitý tvar (vločkový).
Toto temperování je zastaralé, je velmi zdlouhavé a nákladné. Využívá se nejčastěji pro tenkostěnné odlitky s tloušťkou stěny maximálně 6 mm.
![]() |
![]() |
![]() |
![]() |
Temperovaná litina s černým lomem a feritickým základem se vyrábí grafitizací prvního a druhého stupně. První stupeň probíhá při teplotách okolo 950 °C, dokud se úplně nerozpadne ledeburitický, popřípadě sekundární cementit na austenit a temperovaný uhlík (vločkového tvaru). Po té nastává ochlazování na teplotu druhého stupně a setrvání na teplotě. Tady se začíná rozpadat perlitický cementit na ferit a temperový uhlík. Následuje pomalé ochlazení, aby se neporušila stabilní rovnováha. Mikrostrukturu pak tvoří feritická matrice a grafit, viz. obrázek 34.
Zvláštním typem je temperovaná litina s černým lomem a perlitickým základem. Provede se první stupeň (ohřev na teplotu okolo 950 °C) a po té co se struktura rozpadne na austenit a temperovaný vločkový grafit, po té se odlitek úplně ochladí v prostředí proudícího vzduchu. Při tomto procesu se austenit přemění na perlit. Po té se slitina popouští při teplotách nižších než je A1. Podle zvolené teploty se získá matrice globulárního nebo lamelárního perlitu s určitým podílem feritu, který zlepšuje tažnost, ale snižuje pevnost v tahu.
![]() |
![]() |
![]() |
![]() |
Nevýhodou všech temperovaných litin je jejich špatná zabíhavost a velká smrštivost. Proto se nedají použít na velké odlitky. Temperované litiny se uplatňují zejména při výrobě středně mechanicky namáhaných součástek, hlavně pro součástky automobilů, polnohospodářských strojů, vagónů, lokomotiv apod. Základní normované druhy jsou uvedeny v tabulce níže, spolu s jejich použitím a mechanickými vlastnostmi.
|
Značka EN ČSN |
Charakteristika, struktura | Použití |
Re Rp0,2 |
A [%] | Rm [MPa] | HV |
|
-
-42 532
|
Temperovaná litina s černým lomem pro všeobecné účely. Struktura feritická s částečným výskytem perlitu. | Vhodná na odlitky s tloušťkou stěn od 3 do 30 mm. Např. na odlitky pro textilní, polnohospodářské stroje, obráběcí stroje, zdviháky apod. | 170 | 8 | 320 | 184 |
|
-
-42 2533
|
Temperovaná litina s černým lomem pro všeobecné účely. Struktura feritická s částečným výskytem perlitu. | Vhodná na odlitky s tloušťkou stěn od 3 do 30 mm. Např. Na odlitky pro vozové nápravy, kompresory, klíče do zámků apod. | 200 | 10 | 350 | 160 |
|
GJMW-350
(JM 1010)42 2536
|
Temperovaná litina s bílých lomem pro všeobecné účely. Struktura perlitická. | Vhodná na odlitky s tloušťkou stěn od 3 do 30 mm. Jde o odlitky na vozové nápravy, tkalcovské stavy, západky, kompresory. | 4 | 350 | 221 | |
|
GJMW-400-5
(JM 1030)42 540
|
Temperovaná litina s bílým lomem pro všeobecné použití. Struktura perlitická s výskytem feritu. | Vhodná na odlitky s tloušťkou stěn od 3 do 30 mm. Jde o odlitky pro motocyklovou a automobilovou výrobu, pro staticky namáhané odlitky. | 220 | 5 | 400 | 221 |
|
GJMB-450-6
(JM 1140)42 2545
|
Temperovaná litina s bílým lomem pro vyšší tlaky. Struktura zrnitý až lamelární perlit. | Vhodná na odlitky s tloušťkou stěn od 3 do 30 mm. Jde o odlitky na konzoly, motory, páky převodovek, součásti polnohospodářských strojů. | 270 | 6 | 450 | 204 |
Veškeré informace týkající se litiny izotermicky zušlechtěné s kuličkovým grafitem (ADI litiny) naleznete v tepelném zpracování litin s kuličkovým grafitem.